○中芸広域連合危険物規制規則
平成13年3月15日
規則第3号
(趣旨)
第1条 この規則は、消防法(昭和23年法律第186号。以下「法」という。)第3章、危険物の規制に関する政令(昭和34年政令第306号。以下「令」という。)、危険物の規制に関する規則(昭和34年総理府令第55号。以下「府令」という。)及び中芸広域連合火災予防条例(平成10年条例第37号。以下「条例」という。)の施行について必要な事項を定めるものとする。
(仮貯蔵等の承認等)
第2条 法第10条第1項ただし書の規定により危険物を仮に貯蔵し、又は取り扱おうとする者は、危険物仮貯蔵・仮取扱承認申請書(様式第1号)を消防長に提出し、承認を受けなければならない。
3 仮貯蔵又は仮取扱をする場所には、前項に規定する危険物仮貯蔵・仮取扱承認済証を掲げるとともに、府令第17条及び第18条の規定に準じた標識及び掲示板を設けなければならない。
(製造所等の設置又は変更の許可等)
第3条 連合長は、法第11条第1項の規定による製造所、貯蔵所又は取扱所(以下「製造所等」という。)の設置又は変更の許可申請があった場合において、その製造所等の位置、構造、設備が法第10条第4項の技術上の基準に適合し、かつ、当該製造所等においてする危険物の貯蔵又は取扱いが公共の安全の維持又は災害の発生の防止に支障を及ぼすおそれがないものであるときは、許可証(様式第3号)を申請者に交付するものとする。
(製造所等の仮使用の承認等)
第4条 法第11条第5項ただし書の規定により、製造所等の仮使用の承認を受けようとする者は、府令様式第7の申請書を連合長に提出し、承認を受けなければならない。
(製造所等の譲渡等の届出)
第5条 連合長は、法第11条第6項、法第11条の4及び法第12条の6の規定による届出を受理したときは、届出書に届出済の印を押して届出者に交付するものとする。
(危険物保安監督者の届出)
第6条 連合長は、法第13条第2項の規定による危険物の保安の監督をする者の選任届の受理に当たり、必要に応じ危険物取扱者免状を提示させ、又は本人が選任を受諾したことを明らかにするものを添付させることができる。
2 連合長は、前項の届出を受理したときは、届出書に届出済の印を押して届出者に交付するものとする。
(危険物取扱者の届出)
第7条 法第13条第1項の規定による令で定める製造所等以外の製造所等の関係者は、危険物取扱者(危険物取扱者免状の交付を受けている者をいう。)を定め、危険物取扱者選任・解任届出書(様式第5号)を連合長に提出しなければならない。
(予防規程の認可)
第8条 連合長は、法第14条の2第1項の規定により、予防規程の制定又は変更の認可申請があった場合において、その予防規程が法第10条第3項の技術上の基準に適合し、火災予防上支障がないと認めるときは、予防規程認可証(様式第6号)を申請者に交付するものとする。
(1) 製造所等の使用を3か月以上休止しようとするとき、又は休止している製造所等の使用を再開しようとするとき(様式第7号)。
(2) 製造所等を設置した者の氏名若しくは住所(法人にあっては、その名称、代表者の氏名又は主たる事業所の所在地)に変更があったとき又は製造所等の所在する場所の地名若しくは番地に変更があったとき(様式第8号)。
(3) 製造所等において法第11条第1項の規定による変更許可を必要としない程度の軽微な変更又は補修をしようとするとき(様式第9号)。
(4) その他連合長が必要があると認めて資料の提出を命じたとき(様式第10号)。
(危険物の収去)
第10条 法第16条の5第1項の規定に基づき、危険物若しくは危険物であることの疑いのある物を収去しようとするときは、被収去者に危険物等収去証(様式第11号)を交付するものとする。
(証票)
第11条 法第16条の5第3項の規定による証票は、中芸広域連合消防職員の立入検査証に関する規則(平成10年規則第32号)第2条に定める立入検査証をもってこれに充てる。
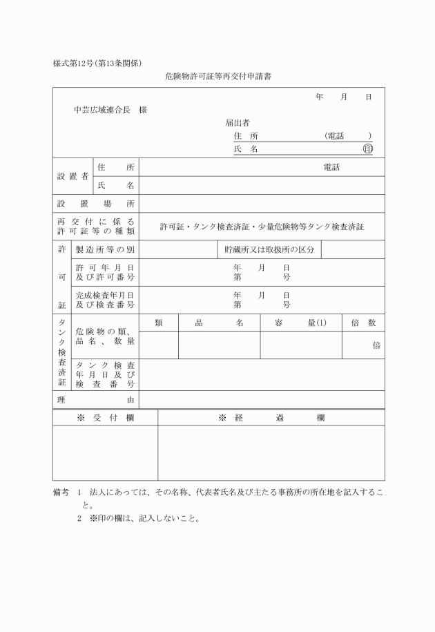
(完成検査済証の再交付)
第12条 連合長は、令第8条第4項の規定による完成検査済証の再交付申請書を受理したときは、再交付の印を押した完成検査済証を申請者に交付するものとする。
3 連合長は、第1項の申請書を受理したときは、再交付の印を押した許可証等を申請者に交付するものとする。
4 許可証等を亡失してその再交付を受けた者は、亡失した許可証等を発見した場合は、これを速やかに連合長に提出しなければならない。
(少量危険物貯蔵取扱所についての応急措置及びその通報)
第14条 法第9条の3の規定に基づき令で定める数量未満の危険物の貯蔵貯蔵及び取扱いをする場所(以下「少量危険物貯蔵取扱所」という。)の所有者、管理者又は占有者は、当該少量危険物貯蔵取扱所について、危険物の流出その他の事故が発生したときは、直ちに、引き続く危険物の流出及び拡散の防止、流出した危険物の除去その他災害の発生の防止のための応急の措置を講じなければならない。
2 前項の事態を発見した者は、直ちにその旨を消防署に通報しなければならない。
2 連合長は、前項の届出を受理したときは、その原因等必要な事項について調査に着手しなければならない。
(手数料納付の時期)
第16条 中芸広域連合手数料徴収条例(平成10年条例第29号)第2条の規定による手数料は、当該申請書を提出する際に納付しなければならない。
附則
1 この規則は、公布の日から施行する。












